- 0,8
- 1,6
- 3,2
- 5,4
- 94,3
- 23
- 20
- 16,0
- 4000
- 1,00
- 438
- ≥28
- 5
- 4
- 4000
- 660
- 325
- 116
- 692
- 1200
- 800
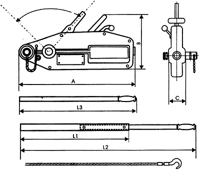
Реализуем со склада в Уфе лебедки ручные МТМ различной грузоподъемности. Данные устройства необходимы для подъема, удержания, а также перемещения груза весом 800, 1600, 3200 и 5400 кг по горизонтальной или наклонной плоскости. Спектр применения оборудования широк: это строительные, монтажные, ремонтные, лесозаготовительные и аварийно-восстановительные работы, погрузка/разгрузка.
Особенности ручных лебедок производства “Кранмаш”
Преимущества лебедка ручной рычажной МТМ:
- Механизм защищен от перегрузки срезным штифтом, установленным на рычаге прямого хода. При этом штифт меняется без снятия нагрузки.
- Зажимной механизм расположен параллельно, благодаря чему усилие на канат распределяется равномерно.
- В верхней части корпуса имеется большое отверстие для чистки внутренних элементов.
Компания предлагает купить ручную лебедку МДМ по ценам от производителя с доставкой в любую точку России. Это монтажно-тяговое оборудование имеет широкую область применения и повсеместно используется в бытовых нуждах, строительных работах и промышленном монтаже. Захватывающий храповый механизм лебедки обеспечивает автономность работы и возможность использования каната практически неограниченной длины, а компактные размеры позволяют перевозить устройство в багажнике легкового автомобиля. Это надежный, проверенный временем грузоподъемный агрегат, который вы можете заказать прямо на сайте.
Если Вам необходимо купить механизм тяговый монтажный (МТМ) или другое промышленное оборудование, свяжитесь с нашими специалистами, и получите более подробную информацию.
Оплата заказа для юридических и физических лиц.
1. Оплата по Счету, Счет-договору (для юридических лиц и ИП с расчетным счетом).
1.1. После согласования заказа наш менеджер отправляет на email клиента Счет и Спецификацию или Счет-договор (в зависимости от условий сотрудничества).
1.2. При доставке транспортной компанией (ТК) Продавца «до дверей», ее стоимость выделяется отдельной строкой в Счете/Счет-договоре.
1.3. Доставка «до терминала ТК» будет бесплатной.
1.4. Срок действия Счет-договора 7 календарных дней. По их окончании программа автоматически расформировывает Счет-договор – бронь снимается.
2. Оплата товара.
2.1. Оплата принимается по безналичному расчету путем перевода денежных средств с р/с Покупателя на р/с Продавца.
2.2. При оплате наличными вы дожидаетесь курьера и передаёте ему сумму за товар в рублях. Покупатель подписывает документы, вносит денежные средства и получает чек.
2.3. Датой оплаты считается дата зачисления денежных средств на р/с Продавца.
Подробнее об условиях оплаты читайте в разделе Условия оплаты.
Доставка производится по России и странам СНГ. Предлагаем несколько вариантов отгрузки товара.
1. Доставка транспортной компанией (ТК) или курьерской службой Покупателя.
1.1. Мы сотрудничаем с транспортными компаниями:
- Транспортная компания КИТ.
- Деловые линии.
- ПЭК.
Также доставка может быть осуществлена:
- транспортными компаниями;
- авиа- и ж/д транспортом;
- контейнерными перевозками;
- экспресс-почтой, либо курьерской доставкой;
До транспортной компании доставляем бесплатно.
1.2. Покупатель может самостоятельно заказать услуги ТК или курьера и забрать заказ по адресу г. Екатеринбург, ул. Артинская, 6а.
2. Самовывоз со склада Продавца.
Если товар есть в наличии на складе, то заказ можно забрать на следующий день после получения оплаты или в день оплаты при наличии платежки с отметкой банка о проведении платежа. Если товар «под заказ», приезжать за ним можно после уведомления нашего менеджера.
Важно! Перед приездом или отправкой курьера необходимо связаться с менеджером и уточнить готовность товара к отгрузке.
Услуга доступна по адресу г. Екатеринбург, ул. Артинская, 6а, офис 2, с 9:00 до 17:00.
3. Доставка заказа ТК Продавца «до дверей» Покупателя.
Подробнее об условиях доставки читайте в разделе Условия доставки.
