Электрические маневровые лебедки ЛМ предназначаются для перемещения железнодорожных вагонов на прирельсовых складах и пунктах погрузки. Оборудование подходит для выполнения операций, которые связаны с транспортировкой относительно небольших грузов. Рекомендуется, чтобы железнодорожные пути были предварительно очищены от снега, мусора и просыпанных сыпучих грузов.
Особенности конструкции лебедоки ЛМ-71
ЛМ-71 выпускается в нескольких исполнениях, которые обеспечивают компактность агрегатов:
- С жесткой конструкцией привода для прямого и обратного вращения двигателя с храповым приспособлением;
- С жесткой конструкцией привода для модификации с дополнительно установленным колодочным тормозом и приводом ПЭТ для взрывобезопасного исполнения;
- Со свободным ходом при реверсировании электромотора.
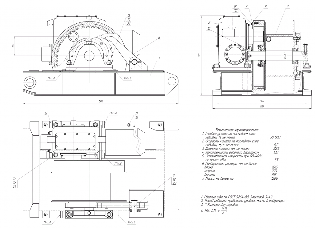
На раме агрегата закреплен червячный редуктор с подключенным двигателем и барабан с механизмом включения. Вал-шестерня редуктора входит в зацепление с зубчатым венцом на барабане, что обеспечивает вращение последнего. В моделях со свободным ходом реверсивное отключение выполняется после срабатывания кулачкового механизма. Это обеспечивает различную скорость разматывания тягового каната. Лебедки могут работать со стационарными и дистанционными системами управления. Они характеризуются высокой надежностью и низким уровнем отказов.

|
Макс. тяговое усиление на канате, т
|
7,1 |
|
Канатоемкость барабана, м
|
100 |
|
Вес лебедки без каната, кг
|
1060 |
|
Габариты, мм
|
1200×1250×1000 |
|
Диаметр каната, мм
|
22,5 |
|
Расчётная скорость навивки каната на первом слое, м/с
|
0,2 |
|
Потребл. мощность, кВт
|
11,8 |
Оплата заказа для юридических и физических лиц.
1. Оплата по Счету, Счет-договору (для юридических лиц и ИП с расчетным счетом).
1.1. После согласования заказа наш менеджер отправляет на email клиента Счет и Спецификацию или Счет-договор (в зависимости от условий сотрудничества).
1.2. При доставке транспортной компанией (ТК) Продавца «до дверей», ее стоимость выделяется отдельной строкой в Счете/Счет-договоре.
1.3. Доставка «до терминала ТК» будет бесплатной.
1.4. Срок действия Счет-договора 7 календарных дней. По их окончании программа автоматически расформировывает Счет-договор – бронь снимается.
2. Оплата товара.
2.1. Оплата принимается по безналичному расчету путем перевода денежных средств с р/с Покупателя на р/с Продавца.
2.2. При оплате наличными вы дожидаетесь курьера и передаёте ему сумму за товар в рублях. Покупатель подписывает документы, вносит денежные средства и получает чек.
2.3. Датой оплаты считается дата зачисления денежных средств на р/с Продавца.
Подробнее об условиях оплаты читайте в разделе Условия оплаты.
Доставка производится по России и странам СНГ. Предлагаем несколько вариантов отгрузки товара.
1. Доставка транспортной компанией (ТК) или курьерской службой Покупателя.
1.1. Мы сотрудничаем с транспортными компаниями:
- Транспортная компания КИТ.
- Деловые линии.
- ПЭК.
Также доставка может быть осуществлена:
- транспортными компаниями;
- авиа- и ж/д транспортом;
- контейнерными перевозками;
- экспресс-почтой, либо курьерской доставкой;
До транспортной компании доставляем бесплатно.
1.2. Покупатель может самостоятельно заказать услуги ТК или курьера и забрать заказ по адресу г. Екатеринбург, ул. Артинская, 6а.
2. Самовывоз со склада Продавца.
Если товар есть в наличии на складе, то заказ можно забрать на следующий день после получения оплаты или в день оплаты при наличии платежки с отметкой банка о проведении платежа. Если товар «под заказ», приезжать за ним можно после уведомления нашего менеджера.
Важно! Перед приездом или отправкой курьера необходимо связаться с менеджером и уточнить готовность товара к отгрузке.
Услуга доступна по адресу г. Екатеринбург, ул. Артинская, 6а, офис 2, с 9:00 до 17:00.
3. Доставка заказа ТК Продавца «до дверей» Покупателя.
Подробнее об условиях доставки читайте в разделе Условия доставки.
